您当前位置:

首页 > 设计团队

pA电流放大电路

发布时间:2026-01-30 浏览次数:

  卓老师,您好,想请教您一个问题,我正在diy一个pA数据采集器 ,使用的是ADA4530,想要测量50pA~100pA左右的电流 ,宽想在10KHz,测试过程中发现一个现象无法理解。

  今天凌晨看到公众号后台有位同学提出一个问题,关于他自己DIY制作的pA电路采集电路中遇到的奇怪现象。

  卓老师,您好,想请教您一个问题,我正在diy一个pA数据采集器 ,使用的是ADA4530,想要测量50pA~100pA左右的电流 ,宽想在10KHz,测试过程中发现一个现象无法理解。

  使用不同频率正弦信号,输出有一段被放大太多,然后再衰减 ,这个4KHz到14KHz的输出幅值,我不知道什么原因导致,想请教您帮我指点一下方向。

  前面由ADA4077组成的电路,它的输入为电压人员Vin,输出为OUT。按照这个测试电路的功能来看这个电路应该是用于产生测试信号的电路,也就是能够输出不同幅度的电流源。但这个电路属于电压并联负反馈电路,即将输出的电压进行积分反向放大后,经过R4,R6 两个电阻并联在电路输入端。这就无法达到输出为恒流源的目的呀。

  该电路前向放大部分是一个低通,反向积分又使得电路直流增益为0,所以它本质上是一个带通电路。

  前向放大部分是由U3,U1组成的一阶低通滤波同相放大器,它的截止频率是由R8,C1决定,根据参数,截止频率为

  电压反向积分电路使得上述电路直流增益为0,对于交流放大的起始频率是由R5,C6,C5,R7决定。粗略由R5,C6可是计算出电路的起始频率

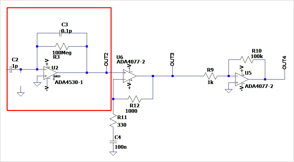
  ● 第二级是由U6:ADA4077组成的高通滤波器,最大增益为3;转换频率由R11,R12,C4决定,大约为1.2kHz;

  下面是电路的幅频特性。可以看到在1.2kHz之前电路放大倍数每倍频6dB上升,超过1.2kHz之后电路放大倍数以大约12dB每倍频上升,在18kHz左右增益达到最大。

  后级电流转换电路则是一个高通电路,原则上应该设计RC对应的频率来补偿电路运放的高频特性不足。但仿真结果无法给出实际器件的放大特性。

联系地址:广东省广州市天河区88号

联系电话:400-123-4567

E-mail:admin@eyoucms.com

服务热线:13800000000

扫一扫,关注我们